Сейчас посетителей в клубе: 1, из них зарегистрированных: 1

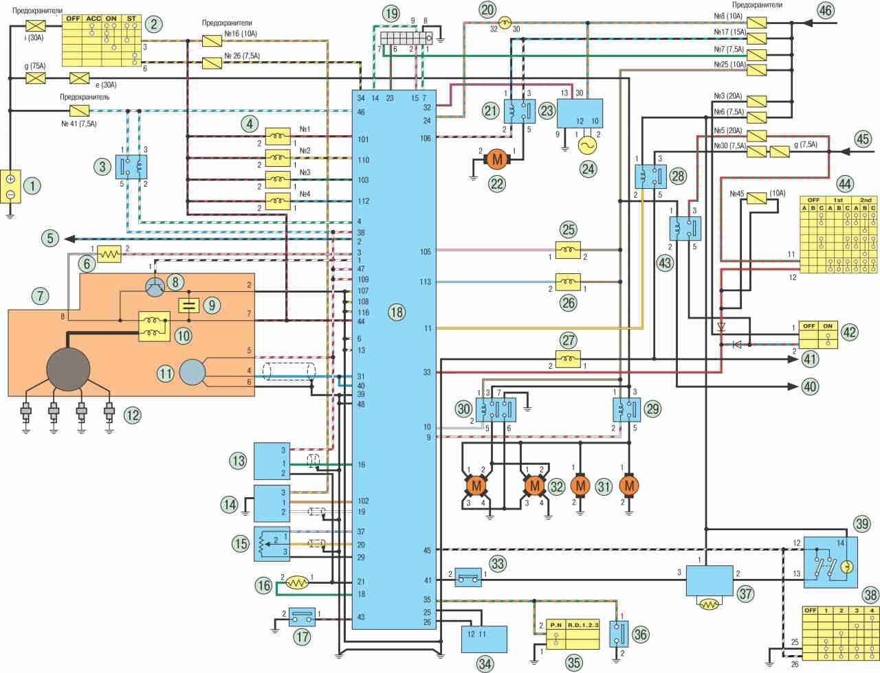
Чем и по какой схеме управляются электровентиляторы системы охлаждения Ниссан Альмеры 2004 г.в.

28.05.11

В инструкциях почти ничего об этом не сказано. Спасибо...

28.05.11

реле включают вентиляторы а на реле идет команда с ЭБУ

ЭБУ получает сигнал с датчиков

28.05.11

Вот бы схему и описание поподробней. При какой температуре и через какие реле. У меня почему-то постоянно вращается один правый, и не могу найти причину.


Форум не экспертная комиссия. Все мнения и советы имеют рекомендательный характер. Ответственность за принятые решения по ремонту, лежит полностью на пользователе.
28.05.11
Tugrin: В том то и хитрость.Вентилятора два, реле три,а датчик температуры охлаждающей жидкости один.Вот бы схему и описание поподробней. При какой температуре включается первый вент.,при какой второй и через какие реле. У меня почему-то постоянно вращается один правый,и не могу найти причину. #

включи кондер, завращаются оба

28.05.11

Конечно же я включал конд-ер, всё то же, а мотор левый исправен, напрямую от акк. вращается. Вот такие "пирожки с котятами". Спасибо за участие...


Форум не экспертная комиссия. Все мнения и советы имеют рекомендательный характер. Ответственность за принятые решения по ремонту, лежит полностью на пользователе.
28.05.11


to Tugrin: А в чем собственно проблема? ЭБУ не дает команду на ключение второго вентилятора? Значит нет такой необходимости - температура не достаточная.

29.05.11

А проблема в том, что правый вент. вращается постоянно даже на холодном моторе, а левый никогда. А должны вращаться оба при включении конд-ра, как правильно подметил Dimon-811. Реле проверял исправны.


Форум не экспертная комиссия. Все мнения и советы имеют рекомендательный характер. Ответственность за принятые решения по ремонту, лежит полностью на пользователе.
29.05.11


to Tugrin: там не в ЭБУ проблемма

правый крутит постоянно- проверь рэлюшку на предмет залипания!

левый не крутит значит нет сигнала на ЭБУ , может обрыв где или контакта нет

22.05.12
Nissan ECCS двигателей GA14DE и GA16DE:



23.05.12
Messir: двигателей GA14DE и GA16DE: #

надо для QG18 если в тему, а данное выше ваще не в тему

24.05.12
Мудродед: вращается постоянно даже на холодном моторе #

Это как уже было сказано выше обрыв цепи датчика. Ну и наверняка обрыв на второй вентилятор.

24.05.12
vitalliy: Это как уже было сказано выше обрыв цепи датчика. Ну и наверняка обрыв на второй вентилятор. #

Спасибо. Давно со всем разобрался. Причина была в неисправном термостате и, как верно подмечено, обрыве цепи одного из эл. моторов.


Форум не экспертная комиссия. Все мнения и советы имеют рекомендательный характер. Ответственность за принятые решения по ремонту, лежит полностью на пользователе.

Написать комментарий
Участники клуба оставили сообщений: 45351
Последний зарегистрированный участник клуба: 5030367