георгий сомов: переодически горит предохранитель катушки 15ампер.где искать неисправность?
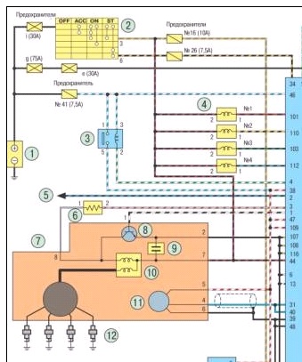
А почему вы решили, что это предохранитель катушки?? Если дорестайл и схема зажигания такая как на приведённой картинке, то катушка и форсунки питаются через вставку 30 ампер. Номер предохранителя какой??


29.05.17
георгий сомов
Ездит на: Nissan Almera
С нами с 27.05.17
Всего сообщений: 1
переодически горит предохранитель катушки 15ампер.где искать неисправность?